MKP X2
X 2- anti-jammingfilmkondensator, hovedsageligt brugt i forskellige anti-interferens lejligheder, såsom strømforsyning tværgående linje, lille højfrekvent tab og lille intern temperaturstigning, plastikskal (UL94 V -0), flamme-Retardant epoxy-harpiks fyldning, lille størrelse, god selvhæmmende, stærk muisture modstand, fremragende overvoltage modstand {{{{{{{{{{.}}}}}}}}}}}}}}}}}}}}}}}}}}}}}}}}}}}}}}}}}}}}}}}}}} yd
- Produkt introduktion
X 2- anti-jammingfilmkondensator, hovedsageligt brugt i forskellige anti-interferens lejligheder, såsom strømforsyning tværgående linje, lille højfrekvent tab og lille intern temperaturstig
Funktioner
- Lille størrelse, god selvhelbredelse, stærk fugtighedsmodstand, fremragende overspændingsmodstandspræstation
- Lille højfrekvent tab, kan bære større strøm, længere levetid
- Undertrykket strømforsyning elektromagnetisk interferens, høj spændingsmodstand, kortvarig pulsspænding modstå evne er stærk
|
Specifikationer |
|
|
Klimatisk kategori |
40/105/56 |
|
Bedømt spænding |
275V, 310V, 330V |
|
Kapacitansområde |
0.010μF ~10μF |
|
Kapacitanstolerance |
±5%(J), ±10%(K) |
|
Spændingsbevis |
1.6UR |
|
Isoleringsmodstand |
> 0,3 μF større end eller lig med 10000s (MΩ, μF) CR > 0,33MF større end eller lig med 5000s (20 grader, 1 min) |
|
Tangent af tabsvinkel |
Mindre end eller lig med 0,0008% (20 grader, 1 kHz) |
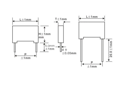
Tegning: (mm)

Fordel
- Elektromagnetisk interferens (EMI) undertrykkelse:Filtrer effektivt højfrekvent støj og forbedrer udstyrets elektromagnetiske kompatibilitet (EMC) .
- Flammehæmmende materialeskal:UL94 V -0 klasse flammehæmmende plast bruges til at reducere risikoen for brand .
- Stærk temperaturstabilitet:Bred driftstemperaturområde (-40 grad til +110 grad) for at tilpasse sig barske miljøer .
Applikationsscenarie
- Fotovoltaisk inverter:Absorbere spændingsspidser genereret af solcellepaneler .
- Elektrisk køretøjsopladningsbunke:Filternetfluktuation, sikre opladningssikkerhed .
- Ups uafbrudt strømforsyning:Reducer spændingsstødet, når du skifter .
FAQ

ZZEC Corporate Profile
Blev oprettet i 2007, virksomheden ligger i Yue Yang City of Hunan -provinsen Yue Yue Yang County Bai Xiang Town Industrial Zone, Enterprise fra begyndelsen af iværksætteri, "Ånden af kunde først, Forge fremover" Spirit, fokuser på tilfredsstillende klienters efterspørgsel efter miniaturisering, fra hjemme og til udlandet til at introducere avancerede maskiner, til at danne et antal automatiserede produktionslinje, på den samme tid på den samme tid, der blev underlagt, fra at få en maskine, der er importeret til at indføre Avanceret maskiner, til at danne et nummer af automatiseret produktionslinje, på den samme tid på den samme tid, der blev underlagt Italy, Specializing in the production of MINI BOX capacitor (super small BOX potting capacitor) and super small size, high precision series capacitor. To achieve annual shipments of about 2 billion film capacitors. Product quality is the survival foundation of the enterprise, relying on ISO9001 quality system, we use high-quality raw materials and high reliability of the process, thick accumulation to provide more than 300 agenter og 1500 endelige kunder med stabile og pålidelige produkter og tilpassede tjenester . trin for trin til at udvikle sig til en indflydelsesrig virksomhed i branchen
ZZEC Company Photo
1. selvudviklet
2. gratis prøver
3. kan tilpasses i henhold til kundebehov
4. Standard støvfri workshop
5. Avanceret laboratorium og udstyr
6. kan give dataene fra prøveproduktionsstadiet

Workshop -billeder

Specialiseret i ultra-små, høj præcision, filmkondensatorer af høj kvalitet .
Populære tags: MKP X2, Kina MKP X2 -producenter, fabrik










